S-821A/1B Series Battery Protection ICs
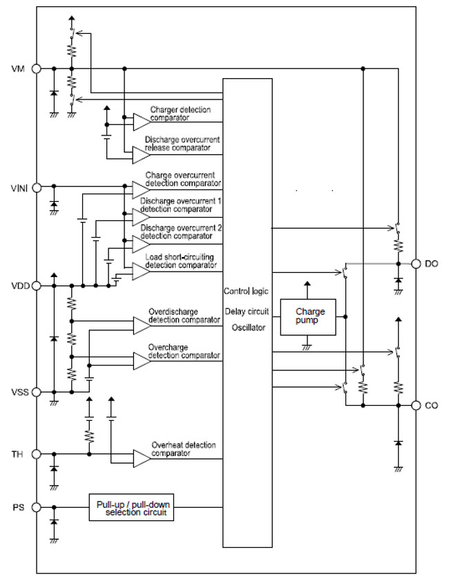
ABLIC protection ICs have an internal triple boost charge pump, which can increase the drive voltage of the Nch MOSFET
ABLIC S-821A/1B series is an IC that can provide Nch high-side protection, which is necessary for short-circuit protection in metal-cased batteries.
By placing the Nch MOSFETs, which control charging and discharging, on the positive side (high-side) of the lithium battery, the ground levels of the battery pack and system can reach the same voltage, contributing to a simplified system design.
The S-821A/1B series has an internal triple boost charge pump, which can increase the drive voltage of the Nch MOSFET. This reduces the on-resistance, suppressing the heat generated by the MOSFET and improving safety during charging.
- Overdischarge release voltage: 2,000 V to 3,400 accuracy ±75 mV
- Discharge overcurrent 1 detection voltage:
- S-821A: -3 mV to -100 mV (0.25 mV step) accuracy ±1 mV
- S-821B: -3 mV to -100 mV (0.25 mV step) accuracy ±0.75 mV
- Discharge overcurrent 2 detection voltage:
- S-821A: -6 mV to -100 mV (0.5 mV step) accuracy ±3 mV
- S-821B: -6 mV to -100 mV (0.5 mV step) accuracy ±2 mV
- Load short-circuiting detection voltage:
- S-821A: -20 mV to -100 mV (1 mV step) accuracy ±5 mV
- S-821B: -20 mV to -100 mV (1 mV step) accuracy ±4 mV
- Charge overcurrent detection voltage:
- S-821A: 3 mV to 100 mV (0.25 mV step) accuracy ±1 mV
- S-821B: 3 mV to 100 mV (0.25 mV step) accuracy ±0.75 mV
- High-accuracy temperature detection circuit with an external NTC thermistor (resistance: 100 kΩ ±1% or 470 kΩ ±1% at +25°C, B-constant: ±1%)
- Overheat detection temperature: +65°C to +85°C (5°C step) accuracy ±3°C
- Overheat release temperature: +55°C to +80°C (5°C step)*4 accuracy ±5°C
- Low current consumption:
- During operation: 6.0 μA typ., 10 μA max. (TA = +25°C)
- During power-down: 50 nA max. (TA = +25°C)
- During overdischarge: 1.0 μA max. (TA = +25°C)
- During power-saving: 50 nA max. (TA = +25°C)
- 0 V battery charge inhibition battery voltage: 1.45 V to 2.00 (50 mV step) accuracy ±50 mV
- Overheat detection function
- Overcharge detection voltage: 3,500 V to 4,800 V (5 mV step) accuracy ±15 mV
- Overcharge release voltage: 3,100 V to 4,800 accuracy ±50 mV
- Overdischarge detection voltage: 2,000 V to 3,000 V (10 mV step) accuracy ±50 mV
- Internal charge pump
- Triple boost (regulation voltage = VDD + 4.2 V)
- Detection delay times are generated only by an internal circuit (external capacitors are unnecessary)
- Discharge overcurrent control function, release condition of discharge overcurrent status: load disconnection, charger connection
- 0 V battery charge
- Power-down function and power-saving function
- PS pin internal resistance connection, pull-up and pull-down in normal and power-saving status
- PS pin internal resistance value: 1 MΩ to 10 MΩ (1 MΩ step)
- PS pin control logic: active "H", active "L"
- High withstand voltage: VM pin, CO pin and DO pin: absolute maximum rating 28 V
- Wide operation temperature range: TA = -40°C to +85°C
- Lead-free, Sn100%, halogen-free
- Lithium-ion rechargeable battery packs
- Lithium polymer rechargeable battery packs
S-821A 1B Series Battery Protection ICs
| Image | Manufacturer Part Number | Description | Available Quantity | Price | View Details | |
|---|---|---|---|---|---|---|
![]() | ![]() | S-821AAAA-I8T1U | LITHIUM-ION BATTERY PROTECTION I | 90 - Immediate | $2.68 | View Details |
![]() | ![]() | S-821BAAD-H8T7S | LITHIUM-ION BATTERY PROTECTION I | 90 - Immediate | $3.01 | View Details |
![]() | ![]() | S-821BAAC-H8T7S | LITHIUM-ION BATTERY PROTECTION I | 95 - Immediate | $3.01 | View Details |






