A Multi-band Hybrid Balanced Antenna
Bijgedragen door Convergence Promotions LLC
2010-12-22
The design of antennas for small user equipment has for many years relied on the use of unbalanced designs – usually ingenious variants of monopoles and inverted-L antennas. As the size of the equipment is reduced, unbalanced antennas become increasingly problematic because their input impedance and radiation properties become strongly dependent on the size of the groundplane and their position on it.
This paper describes a new multi-band antenna incorporating a balanced feed network that shows substantial immunity from the usual groundplane effects and points the way to novel antenna designs, which can be moved between platforms with little or no modification. To conserve space, the designs include a bay under the antenna to accommodate the associated RF circuits and devices.
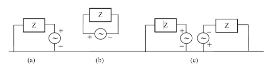
Balanced Antennas
While an unbalanced antenna has only a single terminal and is driven against the local groundplane, a balanced antenna has two terminals exhibiting equal impedances with respect to the local groundplane. These two terminals are excited with respect to ground by equal voltages with a phase difference of 180°. This slightly unusual definition makes it clear that there are two ways in which we can imagine a balanced structure (Figure 1b and 1c). Figure 1(c) provides a useful insight into an alternative way of realizing a balanced structure by using a complementary pair of unbalanced structures, each of which can use the compressed formats which have become usual in small wireless devices.

Figure 1: (a) Unbalanced antenna, (b,c) balanced antennas.
Antennas for mobile handsets are usually required to operate on two frequency bands (or groups of bands), usually separated by about one octave. The dimensions of a balanced antenna are almost inevitably larger than those of an unbalanced antenna (for the same impedance bandwidth), so although a balanced structure is entirely practicable for the upper bands (1710 MHz and above), it remains necessary to continue to use an unbalanced structure at the lower bands (800-900 MHz). Another way of viewing the problem is that in current handsets using unbalanced antennas, the dimensions of the antenna are less than necessary to provide the required bandwidth and the antenna operates only because the groundplane (chassis) supports significant radiating currents. The challenge is, therefore, to devise a structure which can function in a balanced mode in the higher frequency bands and in unbalanced modes in the lower bands.A further and related objective of the work described in this paper is the progressive integration of the RF electronics of a handset with the structure of the antenna. Current practice is to locate the power amplifier, switch, (or diplexer) and receiver at some distance from the antenna and to connect them to the antenna using a 50 ohm unbalanced microstrip line. Closer integration of the electronics with a balanced antenna creates interesting new possibilities: the antenna can be driven directly from a balanced amplifier, and the antenna can readily provide an input impedance other than 50 ohms. These new parameters change the existing constraints on the design of the RF components.
At present the antenna is driven from a conventional unbalanced 50-ohm input, so the circuit required to drive the balanced/unbalanced pair is shown in Figure 2(a). The diplexer divides the high- and low-band signals. The high-band signal is fed to a balanced antenna via a chip balun, and the low-band directly drives an unbalanced antenna. The radiating elements are physically arranged in a stack as shown in Figure 2(b). It will be seen that the balanced high-band antenna is driven from the balun by capacitively coupled plates; this arrangement avoids short-circuiting the low-band feed. The low-band connection from the diplexer is connected to the low-band radiator on which it is placed, but this connection has been omitted from Figure 2(b) for the sake of clarity.

Configuration
The whole arrangement is very compact. The groundplane shown in Figure 2(b) is the upper surface of the optional electronics bay where the RF circuits and devices can be located. The low-band radiator is only 1.5 mm above this ground, while the high-band radiator is 4 mm higher. The total height of 5.5 mm is close to the lower limit for normal multi-band antennas and is unusually low for an antenna covering both the 800 MHz and 900 MHz bands.

The initial aim of the project is to create a balanced antenna providing full operation over five mobile radio bands (800-900-1800-1900-2100 MHz) with an efficiency at least as high as that of existing commercial unbalanced antennas. The operating bandwidths and terminal efficiencies have been progressively increased. A recent comparative study was conducted by fitting an antenna of the format here described into a standard commercial handset, having first benchmarked the performance of the original antenna.
We recognize that at present the antenna will be driven from an unbalanced source, so a balun is needed in order to excite the balanced part of the antenna; we are also feeding the antenna from the output of a conventional switch/diplexer on a handset. In the future, it will be possible to feed the components of the high-band antenna directly from balanced radio circuits, so the associated losses will disappear (this has been adjusted in Figure 6).
Simulation results
The present state of development owes much to many hours of careful simulation using Ansoft HFSS. Typical results for the present configuration are shown in Figure 5, where the excitation of the different parts of the structure and the very different excitation of the chassis at the two frequency bands is clearly seen. The high-band radiator has been hidden in Figure 5(a) so the currents in the low-band radiator can be seen more clearly.
Measured results
Radiation patterns
The substantial immunity of the antenna to hand effects can be seen in Figure 4(a). This shows the input return loss across the band 600 – 2400 MHz with the handset in free space and held in the hand. By comparison, with any typical handset antenna this is a very surprising result, as it is almost impossible to distinguish between the two results, even at the original scale. The radiation patterns in the upper band are shown in Figure 4(b,c) on the next page. These are only a little different from the typical dipole-like patterns obtained at the lower bands.


The patterns in the plane orthogonal to the phone are at first puzzling, but the reason for the lack of significant directivity is that the currents in the groundplane (under the antenna) are in the transverse direction and they continue to flow right around the ‘back’ of the groundplane. The polarization at the high bands is at right angles to the long axis of the phone, unlike that at the low bands, which, as usual, is aligned with the axis.
One problem with using multiple conventional handset antennas is that it is difficult to obtain good decorrelation between their outputs, because even if placed at opposite ends of a handset they couple to the external fields via the same chassis currents. The ability to control polarization by rotating the antenna on a handset is a new capability and opens the possibility of the achievement of significant polarization diversity, more effective dual antenna interference cancellation, and improved MIMO performance.
Efficiency
A performance comparison with a conventional antenna was made by substituting a RADIONOVA® module as described in this paper into a standard commercial handset. The comparative efficiencies are shown in Figure 6. In plotting the results an allowance has been made for the excess attenuation introduced by the balun (in the absence of a balanced feed from the transmitter). For this reason, the numbers plotted provide a legitimate indication of the potential for future performance.

Conclusion
There is potentially a significant application for balanced antennas on small mobile devices. The arrangement described in this paper offers a real opportunity for new ideas in the design of the RF electronics package with potential savings in board area, power and component cost. The ability to avoid custom design for so many different applications will be of real benefit to equipment designers. Further work remains in the optimization of the configuration and in understanding the unusual immunity of the unbalanced low-band antenna to hand effects and impedance variability.
References
- J M Ide, S P Kingsley, S A Saario, R W Schlub and S G O’Keefe, A complementary antenna for handset terminals, Paper No 50, LAPC ‘05, April 4 – 6, 2005, Loughborough University, UK.
Disclaimer: The opinions, beliefs, and viewpoints expressed by the various authors and/or forum participants on this website do not necessarily reflect the opinions, beliefs, and viewpoints of DigiKey or official policies of DigiKey.

