Reading RFID Tags: Gen I and Gen II Solutions
Bijgedragen door Electronic Products
2013-12-12
While standards and technologies for RFID are now well defined, the last pieces of the puzzle, Gen II readers and transceivers, are just emerging now to allow tags and services to reach higher levels of deployment. This article will look at some of the RFID reader chips that are starting to emerge from semiconductor manufacturers and how they can be used in fixed applications (for example, anti-theft doorway systems), as well as in mobile designs for inventory management, shipping, and delivery verification. We will also compare several off-the-shelf solutions and discuss features and challenges that designers should be aware of when making part choices. All parts, data sheets, reference designs, tutorials, and development systems referenced in this article are available online at DigiKey’s website.
RFID: The next generation
Even though Generation I products are still available today and will continue to do well, for the most part they have yielded to the next stage of the RFID revolution, Generation II. While not providing for backwards compatibility with legacy Gen I product, the Electronic Product Code (EPC) Generation II standard, ratified in 2004 and adopted by ISO (18000-6C) in 2006, brings with it many advanced features and capabilities including deeper read and write memory blocks on each tag, longer range, higher-speed communications, global regionalization, and manufacturer customization.
Gen II UHF readers and transceivers occupy the 868 to 870 MHz bandwidth in Europe and 902 to 928 MHz in North America, and are designed to allow a reader to read up to 1,000 tags a second. Multiple interrogators are possible with Gen II, which allows up to 50 readers in a 1 km² area, each at around 4 W maximum power.
While tags can be active (with power), hybrid (providing power for operation but using RF reflected power for communications), or pure passive (all energy is derived from an RF field from the reader), readers will always need power, either as a line-powered fixed base station (as in a factory conveyor belt for inventory control), or a handheld battery-powered mobile unit (such as for a truck depot’s incoming inspection and inventory).
Still useful
As mentioned earlier, despite the advances represented by Generation II parts, Gen I is not going away. The simpler functionality and even the read-only capabilities of these very-low-cost, mature, and widely supported products make them ideal for cost-sensitive designs that do not require additional bells and whistles. For inventory control, asset tracking, and anti-theft systems, the sheer volume of the devices that need to be tagged makes cost a large part of the equation.
In addition, the more mature Gen I products have quality reference designs, development systems, app notes, and devices that are easier to use and further along the learning curve when compared to the more complicated, less well-understood Gen II.
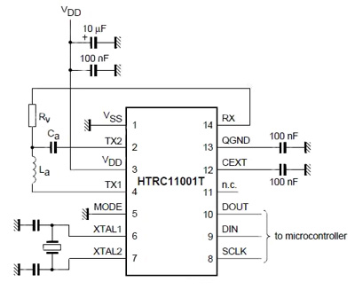
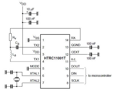
As a result, reliable, low-cost, single-chip readers like the NXP Hitag HTRC11001T can practically be pasted into your embedded system for quick time-to-market applications. This Gen I (ISO11785, ISO14223) reader is packaged in a relatively small, low-power, 14-pin SOIC that is ideal for handheld and battery-powered mobile readers.
Inside this part, you will find an integrated antenna demodulator and driver, programmable filters, amplifiers, digitizers, and a 3-(or 2-)pin microcontroller serial interface (Figure 1). As a radio-like peripheral to a host micro, all the pieces needed to implement a read-only 125 kHz adaptive sampling reader are included, along with some niceties like antenna rupture and short detection, and an on-chip clock oscillator.

Gen II readers
Generation II is so different from Gen I, the single-chip readers produced so far only support one mode. In other words, it has not proven to be cost effective to make reader chips that are dual mode.
Initially, only a few companies provided reader chips or modules that could conform to the more sophisticated Gen II standards. What is more, early reader chips commanded very high prices, often several times higher than the budgets available for the entire reader. At first this discouraged many would-be solution providers from entering this market.
Now, however, several product manufacturers and IC makers are providing Gen II reference designs featuring lower cost, lower power, smaller-sized modular solutions, as well as single-chip embedded solutions based on system-on-a-chip (SoC) architectures.
A highly-functional part comes from Atmel with their AT88RF1354-ZU-T Crypto Secure single-chip Gen II reader, which can work using a loop antenna to couple to the Gen II tags (Figure 2). Note that these are type B readers using a 13.56 MHz frequency.

Atmel also provides development support with their AT88CK201STK starter kit which can be used as a reference design to test, evaluate, and develop your own flavors. The kit adds secure HF RFID capabilities to prevent counterfeiting and hacking. An Atmel training module for Crypto Authentication is also available online at DigiKey.
NXP also offers a Gen II reader, with their MFRC52302HN1,151. This is a 13.56 MHz contactless reader IC for ISO/IEC 14443 A and B, supporting all protocols and communications standards. Like other readers, it uses serial communications to talk to a host processor, in this case, IIC, SPI, and UART.
The NXP MFEV710,599 contactless reader module is a reference design and demo/development system built on an open concept for PC support. The extension board also has a JTAG interface for debugging functionality directly on the microcontroller, and it is accompanied by a free embedded tool chain for firmware customization.
Another company whose offerings are worth a closer look is ams. Its single-chip AS3911-BQFT-1K RFID reader supports both ISO14443-A and B standards. Interesting here is the two-line differential low-impedance (1 Ω) antenna drivers that make it ideal for directly-driven antennas. This saves engineers from dealing with often touchy and sensitive designs for antenna couplers and baluns and allows 1 W output power compared to a 200 mW single-ended antenna with trimming.
While using a 32-pin package, it is relatively small (5 x 5 mm), making it a candidate for integration into the next generation of mobile phones. Its low-power modes drop current consumption from 10 to 4 mA, which is very desirable. Note that it is also qualified for automotive (–40° to +85°C) applications.
Demo/dev system support is provided by the ams AS3911-DK-ST kit, which can also serve as a reference design (Figure 3).

In addition to discrete ICs, there are several modular solutions that can serve as reference designs or be used as OEM reader system ICs. The Texas Instruments RI-STU-MRD2 is part of the company’s series 2000 readers (Figure 4). For OEM as well as development support, TI provides a product training module entitled RFID Technology and Applications.

DLP Designs also offers a small-sized reader with their DLP-RFID2 module, suitable for learning, test, and development, as well as for OEM applications (Figure 5).

In conclusion
Going forward, RFID will be deployed in a much more widespread manner. Mandates from large retailers such as Wal-Mart and government agencies like Homeland Security are driving this technology. Chip and module makers are poised to support your designs, for both Gen I and Gen II product, in a high-level way. You can be confident that using these parts will result in compatible systems that interoperate well within an increasingly dense and highly tagged RFID environment.
For more information on the parts mentioned in this article, use the links provided to access product information pages on the DigiKey website.
Disclaimer: The opinions, beliefs, and viewpoints expressed by the various authors and/or forum participants on this website do not necessarily reflect the opinions, beliefs, and viewpoints of DigiKey or official policies of DigiKey.


