DC/DC Voltage Regulators: How to Choose Between Discrete and Modular Design
Bijgedragen door Electronic Products
2011-09-14
There are many compelling reasons to select a modular switching DC/DC voltage regulator design instead of a traditional controller with external components - a discrete regulator design. These include improved time to market, reduced overall design cost, lower component costs, more compact design, better reliability and less noise. However, there are times when a discrete design is a better choice.
How discrete is discrete?
It’s possible to design a simple, non-isolated switching DC/DC voltage regulator from scratch using solely discrete components. To do this, a designer needs pulse-width modulation (PWM) control, current switching, inductance and energy storage.
However, in practice, there is little to be gained from regulator designs because inexpensive, compact and reliable controller chips are widely available.
Contemporary discrete regulator designs typically comprise a controller chip. These can be found from companies such as National Semiconductor, Fairchild Semiconductor, and Maxim Integrated Products that allied to deliver discrete components with FETs for gate drivers, inductance and capacitance.
However, modern integration technologies allow semiconductor vendors to introduce modular regulators. These chips typically integrate everything except the energy storage capacitor, which is difficult to include on the die because its value is more than 1 µF.
The design time and effort required to construct a regulator using an integrated module is clearly lower than a discrete design. However, there are some situations when discrete design is advantageous, such as when high efficiency at a specific operating point is a prerequisite.
A design example
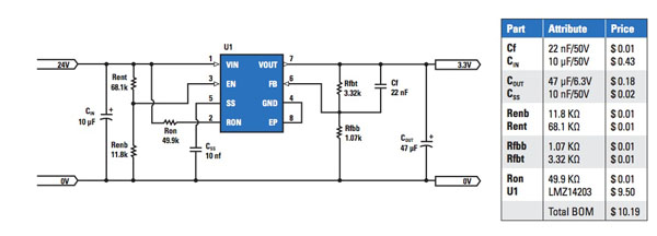
To compare each approach, consider the discrete circuit and bill of materials (BoM) shown in Figure 1¹. The circuit is designed to meet the following parameters: VIN = 24 V, VOUT = 3.3 V, IOUT = 3 A (max) and ambient temperature up to 55°C. It is built around a National Semiconductor LM3152 3.3 V controller.

Figure 2 shows a modular design meeting the same specifications. This circuit is built around a National Semiconductor LMZ14203 integrated power module.

The example BoMs reveal an advantage of discrete designs. The discrete component cost is considerably less than its modular counterpart. However, the power module price is based on a 500-piece list price, whereas the controller price is based on a 1,000-quantity list price. All costs shown are examples from published catalog prices as of June 2010, typically at 1000-unit or cut-tape quantities, and may not reflect current pricing.
The skill required to design a switching DC/DC regulator is primarily reducing the length and size of the high-current and high-frequency nodes, and properly managing the paths of return currents. Ensuring the regulator is robust and operates with minimal noise emission requires careful planning and knowledge of circuit operation. The modular design is much easier to lie out and test because it features simpler circuitry. It also requires fewer engineering hours and reduces the overall cost compared to a discrete design.
Another advantage of the simpler layout for modular design is the ability to route an unbroken copper plane underneath the die, allowing improved thermal conduction between the die and the copper plane keeping the chip cooler.
Efficiency and thermal performance
CAD design packages allow a designer to compare each design’s efficiency and thermal performance. Note that the simulations were conducted at the single operating point defined by the parameters described above. Operating at different voltages may change the relative efficiencies and temperatures. The circuits should always be tested at all anticipated operating points.
Figures 3a and 3b illustrate the efficiencies of the circuits. The discrete design is eight percent more efficient than the modular unit. One advantage of discrete design is being able to carefully select the FETs so the regulator runs efficiently at a specified operating point. In contrast, the modular chip integrates FETs chosen by the manufacturer that need to perform satisfactorily across a range of anticipated operating voltages. These FETs won’t be the perfect choice for any certain operating point.
![]() |
Figures 3a and 3b: Comparison of operating efficiencies of discrete and modular regulator designs at stated operating point. (Courtesy: National Semiconductor.)
Given the more efficient design of a discrete regulator compared to modular design at the selected operating point, it is natural that a discrete design also operates at lower temperatures. WEBENCH simulations on the two designs show that the hotspot for discrete designs centers on the M2 FET, which reaches a temperature of about 80°C.
The highest temperature for a modular design centers on the integrated power module, which reaches 87°C. Neither design features forced cooling. According to the datasheet, the maximum operating temperature for the integrated power module is 125°C, so there is still a large safety buffer.
Output voltage ripple and reliability
One disadvantage of switching designs over non-switching regulators is the generation of an output voltage ripple caused by the switching action. The parasitic inductance and capacitance of the trace elements create high-frequency spikes at the output and generate radiated noise that can cause the regulator to fail noise emission tests. Keeping the circuit traces that connect the regulator’s components as short as possible can minimize the spikes.
Although discrete and modular designs suffer from voltage output ripple, modular designs have the advantage because it is impossible to pack discrete components as close together as on an integrated power module. Figures 4a and 4b show the output from each design. Note the high-frequency voltage spikes that occur with the discrete design.
![]() |
Figure 4a and 4b: Output voltage ripple noise from discrete and modular regulator designs. Note the high voltage spikes in the discrete design output. (Courtesy: National Semiconductor.)
Note that using a higher-quality capacitor or adding more capacitance in parallel can smooth the voltage ripple for either design by lowering the total capacitor equivalent series resistance (ESR). However, this increases component costs.
Regulator failures are caused by initial assembly errors, lack of protection against misuse (e.g., overloaded outputs or excessive input voltages) and component failures. Discrete and modular designs are both subject to breakdown causes, but modular designs typically incorporate greater protection against misuse. In addition, module manufacturers subject the circuits to greater stress in testing than they will ever likely experience in the field. The rigorous testing also eliminates faulty units before shipment.
Finally, the modular design will likely suffer fewer failures due to assembly and soldering errors because it comprises fewer components. Consequently, the modular design is likely to be more reliable.
In addition to the National Semiconductor devices, other manufacturers provide integrated power modules with or without integrated inductance. For example, Fairchild Semiconductor offers its FAN2001/2 switching DC/DC regulator, which integrates FETs into the chip. Maxim Integrated Products offers a range of switching DC/DC regulators with integrated switching, including, its low-cost MAX15041.
References:
- “Power designer,” no. 129, National Semiconductor, June 2010.
Disclaimer: The opinions, beliefs, and viewpoints expressed by the various authors and/or forum participants on this website do not necessarily reflect the opinions, beliefs, and viewpoints of DigiKey or official policies of DigiKey.



