High Efficiency, Low Voltage Conversion with Single Supply Operation from an LDO Regulator
Bijgedragen door DigiKey
2012-02-07
Background
Low voltage step-down regulation and conversion are achieved via a variety of methods. Switching regulators operate with high efficiency over a wide range of voltages but require both magnetic components and capacitors for operation. Charge pumps, or switched capacitor voltage converters, can also be used to achieve lower voltage conversion but are limited in output current capability and require external capacitors for operation and stability. Modern design techniques and wafer fabrication processes have now enabled low dropout linear regulators (LDOs) to move into this application space. However, it is only recently that one has offered fast transient response, low dropout voltage, low voltage operation (<0.6 V output), high output current capability and single supply operation.
The current generation of fast, high current, low voltage digital ICs such as FPGAs, CPUs and ASICs, have placed stringent demands on supplies that power the core and I/O channels. However, these digital ICs are temperamental from a power delivery standpoint. Traditionally, efficient switching regulators have been used to power these devices but they can have potential noise interference issues, transient response and layout limitations. As a result, LDOs are now finding their way as an alternative in these applications and other low voltage conversion systems, but not without their own limitations. However, thanks to recent product innovation and feature enhancements, the trend is changing and the latest crop of new LDOs offers very few, if any, performance tradeoffs.
Fundamental design challenges
Plenty of industry standard linear regulators perform low dropout operation with a single voltage supply yet cannot achieve very low voltage conversion (<0.6 V output). PMOS LDOs achieve the dropout and run on a single supply but are limited at low input voltages by the pass transistor’s Vgs characteristics. NMOS-based devices offer fast transient response but require two supplies to bias the device. NPN regulators offer a wide input and output voltage range but either require two supply voltages or higher dropout. In contrast, with the proper design architecture, a PNP regulator can achieve low dropout and low voltage conversion with bulletproof protection from a single supply.
As process technology nodes continue to shrink, lower voltage operation of these digital ICs and other systems is needed. Higher currents and lower output voltage operation for many existing input voltage rails demand an increase in power consumption in a linear regulator. This increased power consumption translates to heat; therefore state of the art packaging is necessary to minimize the temperature rise inside the regulator and limit the thermal concerns in the application. A linear regulator with the capability of low dropout operation – minimizing the differential between the input and output voltage while the regulator maintains output regulation and stability – reduces power dissipation and thermal considerations.
The requirements for high power supply rejection ratio (PSRR) and low output voltage noise are two additional challenges. A device with high supply ripple rejection easily filters and rejects noise from the input, resulting in a clean and stable output. Further, a device with low output voltage noise across a wide bandwidth is beneficial for today’s modern rails where noise-sensitivity is a consideration. Low output voltage noise at high currents is clearly a necessary specification.
A new single supply linear regulator for low voltage conversion
A linear regulator with the necessary specifications could be an ideal solution for modern low voltage conversion systems; however, in order for an LDO to be used, it will need the following attributes:
- single supply operation (for ease of use)
- fast transient response time
- operation over a wide input/output voltage range
- high output current capability
- low output noise
- very low dropout operation
- excellent thermal performance
- high PSRR at high frequencies
The LT3022 VLDO regulator
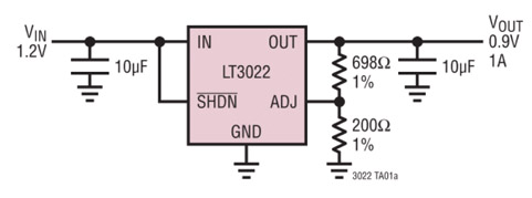
The LT3022 is a 1 A very low dropout (VLDO™) linear regulator, featuring input voltage capability down to 0.9 V and adjustable output voltage down to 0.2 V. The LT3022’s low VIN capability, coupled with the device's low dropout (145 mV typical at 1 A full load), make it ideal for low-voltage, high current rails commonly found in digital ICs such as FPGAs, ASICs, DSPs, microprocessors and microcontrollers. It also finds use in general high-efficiency, low-VIN-to-low-VOUT conversion (for example, 1.8 V to 1.5 V, 1.5 V to 1.2 V, or 1.2 V to 0.9 V). Additionally, the device offers low power operation with only 400 uA quiescent current with less than 10 uA in shutdown, saving run time in battery-powered handheld applications.

The LT3022 regulator optimizes stability and transient response with low ESR, ceramic output capacitors as small as 10 uF. The LT3022 is highly accurate, featuring ±3 percent output voltage accuracy over line, load and temperature, 0.05 percent typical line regulation, and 0.05 percent typical load regulation. The device’s bulletproof internal protection circuitry includes reverse-battery protection, reverse output protection, reverse output-to-input (current) protection, current limiting, and thermal limiting with hysteresis.
Finally, the device is offered in the 16-lead 3 mm x 5 mm DFN and thermally enhanced MSOP-16 packages, operating from -40°C to +125°C junction temperature.
Fast transient response and high PSRR
The LT3022’s design is stable with a wide range of output capacitors, but is optimized for low ESR ceramic capacitors. The output capacitor’s ESR affects stability, most notably with small value capacitors. Use a minimum output capacitor of 10 µF with an ESR of less than 0.1 Ω to prevent oscillations. The LT3022 is a low voltage device and output load transient response is a function of output capacitance. Larger values of output capacitance decrease the peak deviations and provide improved transient response for large load current changes.

Input PSRR will vary with a number of factors: input and output capacitor size and type, load current, and board layout to name a few. Typically, CMOS regulators require sufficient voltage headroom to drive the gate of the pass element or their loop gain suffers and, consequently, PSRR drops. The logarithmic VBE nature of a PNP-based regulator such as the LT3022 means loop gain and PSRR are excellent once out of dropout. Figure 3 shows the LT3022’s excellent supply rejection performance over the full bandwidth.

Extensive protection features
The LT3022 incorporates several protection features that make it ideal for use in battery-powered circuits. In addition to the normal protection features associated with monolithic regulators, such as current limiting and thermal limiting, the device also protects against reverse-input voltages, reverse-output voltages and reverse output-to-input voltages.
Current limit protection and thermal overload protection protect the device against current overload conditions at its output. For normal operation, do not exceed 125°C junction temperature. The typical thermal shutdown temperature is 165°C. Thermal shutdown circuitry incorporates about 7°C of hysteresis.
The IN pins withstand reverse voltages of 10 V. The LT3022 limits current flow to less than 1 μA and no negative voltage appears at the output. The device protects both itself and the load against batteries that are plugged in with polarity reversed.
The LT3022 incurs no damage if VOUT is pulled below ground. If VIN is left open-circuited or grounded, VOUT can be pulled below ground by 10 V. No current flows from the pass transistor connected to VOUT. However, current flows in (but is limited by) the resistor divider that sets the output voltage. Current flows from the bottom resistor in the divider and from the ADJ pin’s internal clamp through the top resistor in the divider to the external circuitry pulling VOUT below ground. If VIN is powered by a voltage source, VOUT sources current equal to its current limit capability and the LT3022 protects itself by thermal limiting. In this case, grounding SHDN turns off the LT3022 and stops VOUT from sourcing current.
In circuits where a backup battery is required, several different input/output conditions can occur. The output voltage may be held up while the input is either pulled to ground, pulled to some intermediate voltage or is left open circuit. In the case where the input is grounded, there is less than 1 μA of reverse output current. If the LT3022 IN pin is forced below the OUT pin or the OUT pin is pulled above the IN pin, input current drops to less than 10 μA typically. This occurs if the LT3022 input is connected to a discharged (low voltage) battery and either a backup battery or a second regulator circuit holds up the output. The state of the SHDN pin has no effect on the reverse output current if VOUT is pulled above VIN.
In summary, the LT3022 offers the following key technical features:
- VIN Range: 0.9 V to 10 V
- VREF Accuracy: ±3% over Line, Load & Temperature
- VOUT Range: 0.2 V to 9.5 V (adjustable)
- Dropout Voltage: 145 mV
- Output Current: 1 A
- Fixed Output Voltages: 1.2 V, 1.5 V, 1.8 V
- Stable with Low ESR, Ceramic Output Capacitors (10 uF Minimum)
- 0.05% Load Regulation from 1 mA to 1 A
- Quiescent Current: 400 uA, ISD < 10 uA
- Current Limit and Thermal Limiting with Hysteresis Protection
- Reverse-Battery, Reverse Output, and Reverse Output-to-Input (Current) Protection
- 16-Lead DFN (3 mm x 5 mm x 0.75 mm) or 16-Lead Thermally Enhanced MSOP Package
Many industry LDOs achieve fast transient response and low dropout but traditionally require a 2-supply configuration to enable low voltage operation. However, new circuit design techniques and improved wafer fabrication processes have broadened the performance characteristics of PNP-based pass transistor LDOs. The LT3022 is a 1 A VLDO linear regulator with single supply operation, featuring input voltage capability down to 0.9 V and adjustable output voltage down to 0.2 V, bulletproof protection, fast transient response, and high PSRR.
Disclaimer: The opinions, beliefs, and viewpoints expressed by the various authors and/or forum participants on this website do not necessarily reflect the opinions, beliefs, and viewpoints of DigiKey or official policies of DigiKey.


